Tükendi
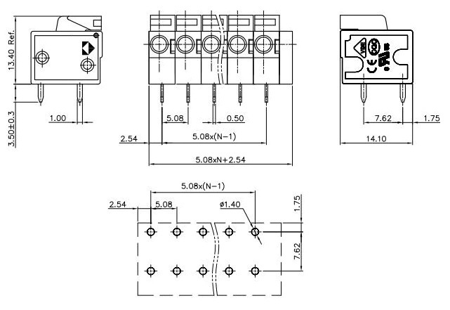
Gelince Haber VerYaylı Klemensler, kablolar arasında bağlantı oluşturmanıza yarayan ekipmanlardır. Dışı yalıtkan malzemeden oluşan klemens sayesinde elektrik devrelerinizde güvenli bir izolasyon sağlayabilirsiniz. Yaylı olması sayesinde ise kablo bağlantılarını yapmanız daha kolaylaşacaktır.
