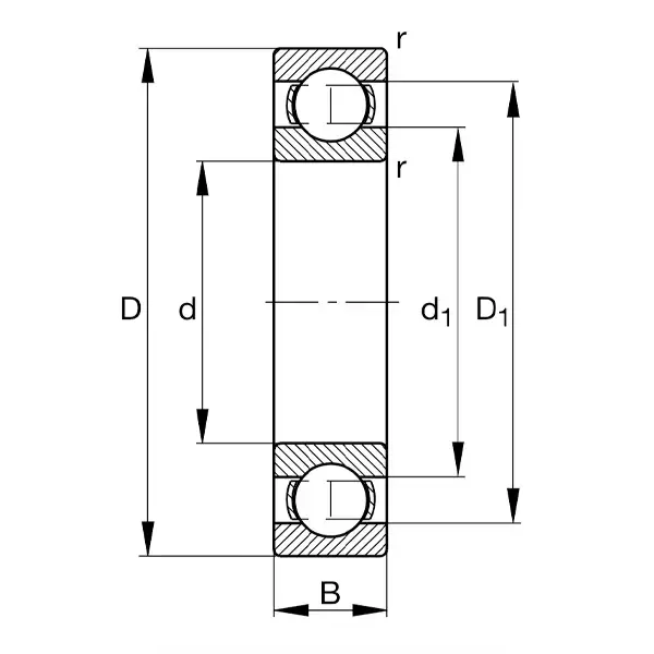
6001 ZZ Rulman 12x28x8mm boyutlarında çift tarafı kapalı minyatür rulman sınıfındadır.
Döngüsel hareket gereken çok çeşitli sektörlerde kullanılabilir.
Diğer rulman çeşitleri için rulman kategorimizi inceleyebilirsiniz.

| ÖLÇÜLER | |
| D (dış) | 28 mm |
| d (iç) | 12 mm |
| B (en) | 8 mm |