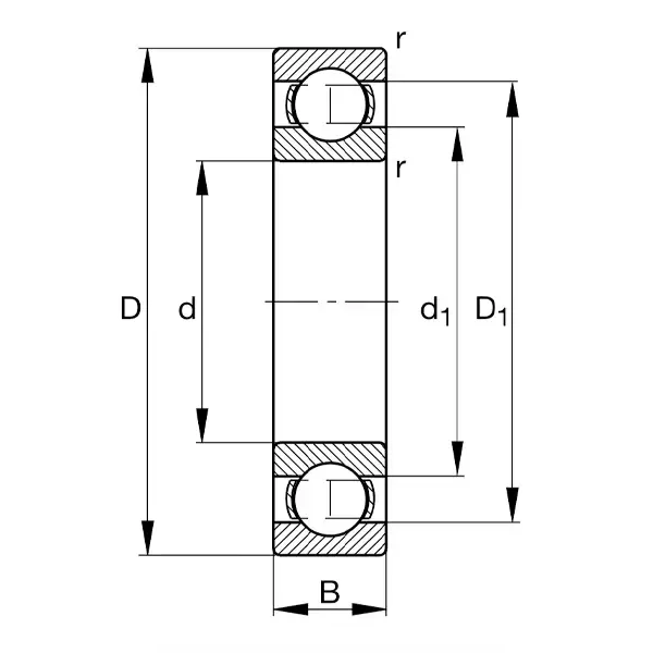
696ZZ Rulman 6x15x5mm boyutlarında çift tarafı kapalı minyatür rulman sınıfındadır.
Döngüsel hareket gereken çok çeşitli sektörlerde kullanılabilir.
Diğer rulman çeşitleri için rulman kategorimizi inceleyebilirsiniz.

| ÖLÇÜLER | |
| D (dış) | 15 mm |
| d (iç) | 6 mm |
| B (en) | 5 mm |