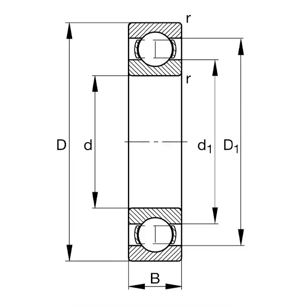
MR148ZZ Rulman 8x14x4mm boyutlarında çift tarafı kapalı minyatür rulman sınıfındadır.
Döngüsel hareket gereken çok çeşitli sektörlerde kullanılabilir.
Diğer rulman çeşitleri için rulman kategorimizi inceleyebilirsiniz.

| ÖLÇÜLER | |
| D (dış) | 14 mm |
| d (iç) | 8 mm |
| B (en) | 4 mm |