Tükendi
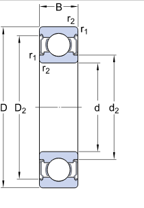
Gelince Haber VerMR85 ZZ veya 675 ZZ olarak bilinen bu rulman 5x8x2.5mm boyutlarındadır. Döngüsel hareket gereken çok çeşitli sektörlerde kullanılabilir.
Diğer rulman çeşitleri için rulman kategorimizi inceleyebilirsiniz.

d (iç) | 5 mm |
D (dış) | 8 mm |
B (en) | 2.5 mm |
| ÖLÇÜ | |